Время работы:
пн-пт: 9.00 до 18.00
Нефтекамск
Осевые оконные вентиляторы ВО-3,15 220В закладываются в такие проекты помещений как:
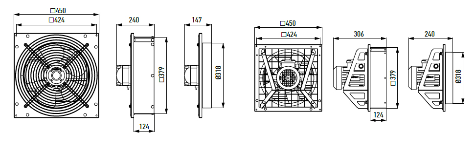
Осевой вентилятор ВО-3,15 220В состоит из монтажной сетки, на которую закреплено алюминиевое рабочее колесо и электродвигатель, а также из рамки с жалюзи, которая закрывает вентилятор с внешней стороны помещения.На стальной корпус осевого вентилятора наносится порошковое полимерное покрытие RAL 7035. Алюминиевое рабочее колесо надежно защищено хромированное сеткой.
Утечку теплого воздуха из помещения в выключенном состоянии предотвращают входящие в комплект поставки гравитационные жалюзи. Электродвигатель вентилятора имеет встроенное термореле, с классом защиты электродвигателя - IP 42. Бесшаговый тиристорный регулятор скорости помогает обеспечивать плавное регулирование скорости вращения в диапазоне от 0 до 100%.
Надежная конструкция осевого вентилятора - гарантия длительного срока службы.
Доставка по Москве в пределах МКАД: мелкогабаритный груз от 1 000 руб., крупногабаритный груз от 2 500 руб.,
Полный цикл работ: подберем, спроектируем и установим оборудование
Нашли дешевле? Звоните, договоримся!
Заявки принимаются с реквизитами через почту

| Название вентилятора | Подача воздуха, м3/ч | Мощность электродвигателя, Вт | Частота вращения, об/мин | Питание | Уровень шума, дБ (А) | Степень защиты | Макс.температура перемещаемого воздуха, С | Масса, кг |
| ВО-2,0 | 450 | 10 | 1500 | 1ф/~220В | 55 | IP 42 | 55 | 3,1 |
| ВО-2,3 | 750 | 10 | 1500 | 1ф/~220В | 60 | IP 42 | 55 | 3,2 |
| ВО-2,5 | 900 | 16 | 1500 | 1ф/~220В | 60 | IP 42 | 55 | 3,6 |
| ВО-3,0 | 1500 | 34 | 1500 | 1ф/~220В | 68 | IP 42 | 55 | 7,0 |
| ВО-3,15 | 2400 | 34 | 1500 | 1ф/~220В | 68 | IP 42 | 55 | 7,1 |
| Название вентилятора | A, мм | B, мм | C, мм | D, мм | Е, мм |
| ВО-2,0 | 285 | 220 | 125 | 270 | 165 |
| ВО-2,3 | 330 | 260 | 140 | 315 | 180 |
| ВО-2,5 | 330 | 300 | 90 | 315 | 180 |
| ВО-3,0 | 400 | 340 | 170 | 380 | 200 |
| ВО-3,15 | 450 | 380 | 135 | 420 | 230 |